|
查看:220 | 回复:0
|
 |
发表于:2021-01-16 08:58 |
|
1# |
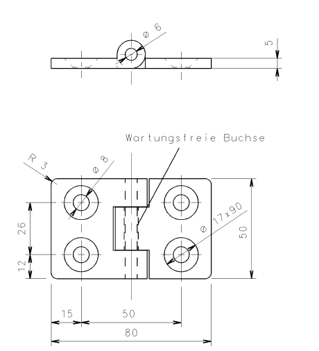
特点:
适用于工业强度大的环境下
材质:
不锈钢
  
我们主要销售的产品有 生产、销售:箱扣锁具、合页。把手、五金配件,我们的地址是山东烟台莱州市 城港路街道开明路1139号。
电话/微信:15666540212 QQ:212892360 欢迎联系我们,莱州天甲五金有限公司对您的咨询非常感谢 。
莱州市天甲五金公司专业致力于工业五金产品的设计、研发、生产和销售,目前产品主要有搭扣(又名箱扣、锁扣,普通搭扣,可调搭扣,自锁搭扣,减震搭扣,橡胶搭扣等),铰链(又名合页,有平开铰链,锌合金铰链),夹具等。产品适用于各种工业领域,尤其在食品、厨具、办公家具、健身器材和医疗机械等领域已被广泛应用。目前公司产品种类达3000余种,已与国内外6000余家工厂建立了长期的合作关系,产品远销欧洲、东南亚等45个国家。
公司以专业的研发团队、成熟的生产工艺和卓越的产品品质为发展方向,讲“TANJA”打造成工业五金行业优秀品牌。
|
|